|
|
 |
Kabelbaum vom Vorbesitzer Verbastelt, Wer kann helfen? |
Hallo Leute,
Habe mich gerade in dem Forum registriert da ich keine Lösung finde!
Der Alte Kabelbaum meiner DT125R 4BL Bj. 1997 mit der CDI 3RM-00 ist komplett verbastelt - als ich nach dem kauf die lichtmaske abnahm traf mich (als elektriker) fast der Schlag... Lose Kabel vom Reed-Kontakt und weitere Kabel mit Masse wahhlos zusammengelötet und unisoliert nehmen dem Rahmen hingend
Kein Wunder das es den Original CDI komplett verbraten hat.. Rip CDI... Habe mir jetzt einen neuen bestellt (250€
) und den Kabelbaum wieder auf vorderman gebracht! Nur eine Sache verstehe ich nicht. Das Schwarz-Blaue Kabel (welches man zum entdrosseln bei der 3RM-00 CDI auf Masse legt) ist am Stecker des Kabelbaums (nicht der CDI) abgeknipst und hängt ausm stecker. Es gibt im gesamten Kabelbaum bis zu allen Steckern auf der Lichtmaske kein weiteres Schwarz-Blaues Kabel welches ich wieder an den Stecker löten kann um eine komplett originale elektrik zu erzielen. Kann mir jeman sagen was für ein "Ziel" das Schwarz-Blaue Kabel der 3RM-00 Cdi hat? Kann ich eigentlich auch einfach einen Schalter zwischen Masse und dem Originalen Kabel (welches ich suche) löten um die kiste so während der fahrt Drosseln/entdrosseln zu können? Hoffe es ist verständlich was ich meine. Bitte Hilfe! Danke
|
|
Tja.. Gute Frage!
Wo das Kabel im Kabelbaum werksseitig denn endet kann ich dir leider auch nicht sagen. Es ist scheinbar auf jeden Fall nicht angeschlossen.
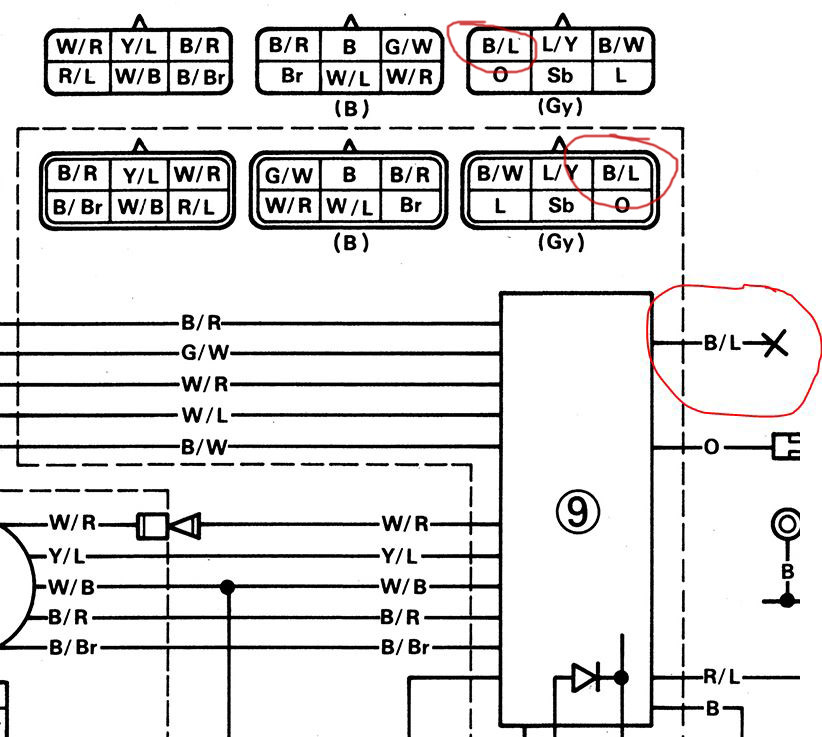
Hier ein Auszug aus dem Schaltplan von Yamaha für eine 97er 4BL mit werksseitig gedrosselter CDI. Für eine offene CDI habe ich leider keinen Plan zur Verfügung, bzw. weiß auch nicht ob seitens Yamaha überhaupt einer existiert.

Der Stecker scheint Kabelbaumseitig von Werk aus aber mit diesem Kabel beaufschlagt zu sein. (Insofern der Plan denn richtig ist)
Das mit dem Schalter gegen Masse sollte funktionieren.
Sprich, spar dir einfach die Mühe der Suche und mach an den Kabelbaumseitigen Kabelrest eine Verbindung zur Masse (evtl. eben mit Schalter falls du das willst)
Wenn natürlich jemand einen noch komplett originalen Kabelbaum hat, wäre es geil wenn man das rausfinden könnte. Bin auch sehr interessiert, habe aber leider nur einen ori DE03 Kabelstrang.
Gruß, Flo.
|
|
Zitat: |
Original von fünf³
Es ist scheinbar auf jeden Fall nicht angeschlossen.
|
Also kann ich einfach das Blau Schwarze Kabel an Masse legen? Und wenn ich es einfach nirgendwo hinlege, sprich direkt isoliere sollte sie gedrosselt sein auf 80kmh, sofern die Reed-Kontakte richtig angeschlossen sind oder?
VIELEN DANK FÜR DEN SCHALTPLAN!! Ich hab mich TOTGESUCHT.
Wäre sehr sehr geil wenn du mir den vollen Schaltplan der DT 1997 BL Schicken könntest dennistestacc24@gmail.com
Danke!!
|
|
Gibts in der dtpedia
|
|
|
|
|
|
| | |