dt125.de dt125.de

Registrierung Kalender Mitgliederliste Teammitglieder Suche Häufig gestellte Fragen Zur Startseite Häufig gestellte Fragen User-Locator dtpedia.de

Das offizielle DT125R und DT125X - Forum » Verwandte Modelle » KTM125 & Husky125 Allgemein » Benzin Verlust am Vergaser (KTM LC2) » Hallo Gast [Anmelden|Registrieren]
Letzter Beitrag | Erster ungelesener Beitrag Druckvorschau | An Freund senden | Thema zu Favoriten hinzufügen
Neues Thema erstellen Antwort erstellen
Zum Ende der Seite springen Benzin Verlust am Vergaser (KTM LC2)
Autor
Beitrag « Vorheriges Thema | Nächstes Thema »
Snoopy
zum Händler-Renner


Dabei seit: 21.01.2007
Herkunft: Hauptstadt
Motorrad: YZF R1



Benzin Verlust am Vergaser (KTM LC2) Auf diesen Beitrag antworten Zitatantwort auf diesen Beitrag erstellen Diesen Beitrag einem Moderator melden Zum Anfang der Seite springen

Hallo Leute.

Ich bin heute an meinem freien Tag mal ein wenig am Schrauben gewesen. Danach erfolgte die Probefahrt. Dabei ist mir aufgefallen, das unten am vergaser benzihn hinaus läuft.

Was meint ihr? Schwimmer Defekt, oder etwas anderes?

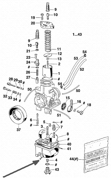
Hier (siehe Bild und Pfeil) läuft das Benzin tropfenweise raus.


Desweiteren läuchtet ständig die Temperatur Anzeige. Selbst im Stand. Der Kühlkreislauf scheint zu funktionieren-da der Kühler warm wird.

Weis jemand abhilfe,bzw eine erklärung?

Vielen dank im Vorraus:-)

__________________
Wenn man sagt was man Denkt,muss man mehr als alles geben....
06.09.2007 19:52 Snoopy ist offline E-Mail an Snoopy senden Beiträge von Snoopy suchen Nehme Snoopy in deine Freundesliste auf
Dj-House
Bullen-Vernascher


images/avatars/avatar-5617.jpg

Dabei seit: 21.09.2006
Herkunft: Stockheim
Motorrad: Dt 125 R



Auf diesen Beitrag antworten Zitatantwort auf diesen Beitrag erstellen Diesen Beitrag einem Moderator melden Zum Anfang der Seite springen

ich würd sagen schraub unten mal die schraube richtig zu wenn da eine ist , so wars zumind beim roller hatte ich das gleiche prob und war auch von dello ^^ kannst ja mal gucken Zwinkern

__________________
Wozu Socken? Sie schaffen nur Löcher!
Albert Einstein

Schalten, ist ein spanender Vorgang !
06.09.2007 20:21 Dj-House ist offline E-Mail an Dj-House senden Beiträge von Dj-House suchen Nehme Dj-House in deine Freundesliste auf Füge Dj-House in deine Kontaktliste ein
erwinrommelfrauenarzt
Tuner


images/avatars/avatar-8504.jpg

Dabei seit: 20.01.2007
Herkunft: Stuttgart wohn aber in der nähe von bad hersfeld
Motorrad: yamaha dt 125re,yz 250,ktm640



Auf diesen Beitrag antworten Zitatantwort auf diesen Beitrag erstellen Diesen Beitrag einem Moderator melden Zum Anfang der Seite springen

ja guck einfach ma ob unter wo der schwimmer drin ist der kasten richtig angeschraubt ist war bei meiner ks 125 auch so. Zu deiner temperatur leuchtet die au wenn du die zündung nur anmachst oder erst nach ein paar kilometern.

__________________
Wir Supermotofahren binden den Supersportlern noch in den Kurven die Schnürsenkel Du mich auch
06.09.2007 20:28 erwinrommelfrauenarzt ist offline E-Mail an erwinrommelfrauenarzt senden Beiträge von erwinrommelfrauenarzt suchen Nehme erwinrommelfrauenarzt in deine Freundesliste auf Füge erwinrommelfrauenarzt in deine Kontaktliste ein
Snoopy
zum Händler-Renner


Dabei seit: 21.01.2007
Herkunft: Hauptstadt
Motorrad: YZF R1

Themenstarter Thema begonnen von Snoopy


Auf diesen Beitrag antworten Zitatantwort auf diesen Beitrag erstellen Diesen Beitrag einem Moderator melden Zum Anfang der Seite springen

Hallo Jungs,
also eine Schraube ist daunten nicht. Ein Schlauchanschluss,ist das. Dachte zuerst das dass der überlauf ist. Werde den vergaser "untenrum" mal Zerlegen. Mir war so als sei im Boden der Überlauf,innen aber ein Röhrchen (sonst würde ja selbst das bezin rauslaufen wenn der vergaser nicht zu voll ist)

Vielleicht ist es bei der Vergaserreiniung undicht geworden.

(Ist mir auch gerade erst eingefallen.)

Zu der Temperatur:

Großartig gefahren bin ich noch nicht mit der KTM. Mal 10m letzte Woche. Aber ich muss gestehen ich erinnere mich nicht mehr:-( ob da was Leuchtete.

Ich werde es mal bei einer Runde über den Hof testen. Wenn die Zündung an ist Leuchtet die Lampe...O.o, auch das weis ich nicht.
Welch schande...

Ich gehe nachher gleich schauen:-)

Vielen Dank aber schonmal für eure Antworten

Gruß

__________________
Wenn man sagt was man Denkt,muss man mehr als alles geben....
06.09.2007 21:18 Snoopy ist offline E-Mail an Snoopy senden Beiträge von Snoopy suchen Nehme Snoopy in deine Freundesliste auf
grusler
alter Hase


images/avatars/avatar-8281.jpg

Dabei seit: 05.10.2006
Herkunft: Artelshofen
Motorrad: DT 125R '96 Neuaufbau '06



Auf diesen Beitrag antworten Zitatantwort auf diesen Beitrag erstellen Diesen Beitrag einem Moderator melden Zum Anfang der Seite springen

jop ist schon der Überlauf, entweder, der Schwimmerstand passt nicht, oder das Schwimmernadelventil ist dreckig/verklemmt/kaputt

__________________
Die gute Unterhaltung besteht nicht darin, dass man selbst etwas Gescheites sagt, sondern dass man etwas Dummes anhören kann.
Wilhelm Busch
06.09.2007 23:59 grusler ist offline E-Mail an grusler senden Beiträge von grusler suchen Nehme grusler in deine Freundesliste auf Füge grusler in deine Kontaktliste ein
KTM_Onkel
Rollerschupser


images/avatars/avatar-6902.jpg

Dabei seit: 02.04.2007
Herkunft: 97288 Theilheim
Motorrad: KTM LC2



Auf diesen Beitrag antworten Zitatantwort auf diesen Beitrag erstellen Diesen Beitrag einem Moderator melden Zum Anfang der Seite springen

Schau ma ob dein schwimmer vielleicht ein loch hat. Wenn nicht stell ihn einfach ein bisschen höher. Des problem kenn ich Säge

__________________
HÜPF! www.siteworld.de/enduro HÜPF!
.....________.....
..../________\....
...[O==VW==O]...
...||.............||...
07.09.2007 15:33 KTM_Onkel ist offline E-Mail an KTM_Onkel senden Homepage von KTM_Onkel Beiträge von KTM_Onkel suchen Nehme KTM_Onkel in deine Freundesliste auf Füge KTM_Onkel in deine Kontaktliste ein
Snoopy
zum Händler-Renner


Dabei seit: 21.01.2007
Herkunft: Hauptstadt
Motorrad: YZF R1

Themenstarter Thema begonnen von Snoopy


Auf diesen Beitrag antworten Zitatantwort auf diesen Beitrag erstellen Diesen Beitrag einem Moderator melden Zum Anfang der Seite springen

Hallo,

Problem behoben: Der Schwimmer hing einfach fest. Gereinigt,zusammengebaut,Tadellose Funktion wieder:-)

Ich danke euch für eure Ratschläge.

Gruß Snoopy

__________________
Wenn man sagt was man Denkt,muss man mehr als alles geben....
08.09.2007 00:22 Snoopy ist offline E-Mail an Snoopy senden Beiträge von Snoopy suchen Nehme Snoopy in deine Freundesliste auf
Baumstruktur | Brettstruktur | Thema zu Favoriten hinzufügen
Gehe zu:
Neues Thema erstellen Antwort erstellen
Das offizielle DT125R und DT125X - Forum » Verwandte Modelle » KTM125 & Husky125 Allgemein » Benzin Verlust am Vergaser (KTM LC2)

Mobile Version

Impressum


Forensoftware: Burning Board, entwickelt von WoltLab GmbH